码丁实验室,一站式儿童编程学习产品,寻地方代理合作共赢,微信联系:leon121393608。
我是潘,曾经是个工程师。这是 “Arduino 公开课” 系列的入门教程。本课将介绍DS1302时钟模块的使用,同时介绍外部时钟作中断使用,这是名副其实的“定时器”。有任何疑问请在评论区提出,我会逐一回答。
之前我们介绍了内部中断,利用 Arduino 内部的硬件定时器,在规定的时间间隔做某件事情。如果我们希望 Arduino 在规定的日期,比如,每个工作日早上8点,响起闹钟、点亮LED呢?此时,我们就需要外部时钟来协助。
DS1302 是 maxim (美信)生产的时钟模块,支持年、月、日、时、分、秒、星期显示。支持为后备电池涓流充电。与 Arduino 只需要4条数据连接线即可使用。同时,它也是很便宜、很常见,但我们不是因为便宜才选择它,而是它有非常完善的库支撑。这是它的 DataSheet:
电压范围:2.0 ~ 5.5 V / 电池 (二选一)
工作电流:2.0V 时少于 300 nA (一颗扣钮电池工作1年不成问题)
IC 的脚位位图:

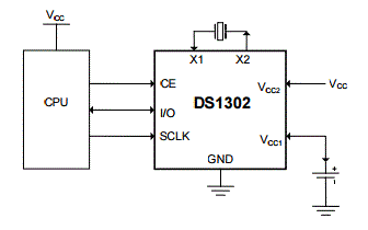
模块电路图:、

电路十分简单,DIY 也非常方便,x1、x2的晶振为32.768kHz。如果使用 DS1302 模块,由于自带电池,Arduino断电后还可以继续工作,VCC 5.0V 可以不接,但是GND一定要接,否则无法正确读取时间。
使用芯片和一个晶振的接线方式:

使用模块接线方式如下:
CLK (或SCLK)接 D7
DAT(或IO) 接 D6
RST(或CE) 接 D5
VCC、GND 分别接 5.0V 和 GND
我们使用带电池的模块。从最简单的开始,我们的第一个程序会预先给 DS1302 设置时间,并显示在串口监视器上;第二个程序,我们要利用串口设置时间;第三个程序,我们让DS1302,在某个时间点上,做一件事情。
下载并安装 DS1302RTC 库 (还有一个DS1302库,建议用RTC的版本)与 Time库 (Time在第三个程序中才会用到。注意不要用 C 原生的 Time.h,这个由 PaulStoffregen 开发的更简单和强大),先看第一个程序:
|
1
2
3
4
5
6
7
8
9
10
11
12
13
14
15
16
17
18
19
20
21
22
23
24
25
26
27
28
29
30
31
32
33
34
35
36
37
38
39
40
41
|
/*
作者:Ardui.co
效果:设置DS1302,并在串口中显示时间
版本:1.0
更新时间:2017年3月13日
*/
#include <DS1302RTC.h>
#include <stdio.h>
#include <Time.h>
#include <TimeLib.h>
tmElements_t tm;//设置时间类tm
constintCE =5; // Chip Enable,即 Reset
constintDAT =6; // Input/Output
constintCLK=7; // Serial Clock
DS1302RTC RTC(CE,DAT,CLK);//创建DS1302的对象,即对应的Pin
voidsetup(){
Serial.begin(9600);
RTC.writeEN(false);//必须设置成false,否则无法设置时间
RTC.haltRTC(false);//防止时间停止
setTime(20,30,30,20,6,17);//设置系统时间函数,顺序为:时分秒日月年,默认从2000年开始
RTC.set(now());//将系统时间赋值给DS1302
}
voidloop(){
RTC.read(tm);//读取当前时间
printTime();//通过串口打印时间
delay(1000);
}
voidprintTime(){ //创建打印时间的函数
Serial.print(tm.Hour);
Serial.print(‘:’);
Serial.print(tm.Minute);
Serial.print(‘:’);
Serial.print(tm.Second);
Serial.print(‘,’);
Serial.print(tm.Day);
Serial.print(‘-’);
Serial.print(tm.Month);
Serial.print(‘-’);
Serial.println(tmYearToCalendar(tm.Year));//年份比较特殊,需要转化为可读形式
}
|
这个程序看着很复杂,但实际上我们将它分解来看就不难了:
|
1
|
tmElements_t tm;
|
设置一个时间类,通过 tm.Hour 、tm.Minute,读取小时、分钟,如此类推,这调用了C语言的标准库 time.h。
|
1
|
setTime(20,30,30,20,6,17);
|
设置 Arduino 系统时间(20点30分30秒,20日6月2017年),并非是DS1302时间。然后通过语句
|
1
|
RTC.set(now())
|
now() 读取当前时间函数,并使用 RTC.set(),设定 DS1302 的时间。另外,也可以通过RTC.write() 来设置,但写入的方法是通过类 tm,而是时间函数。更多用法可以参考官方文档。
打开串口监视器,运行结果如下:

如果把所有线都拔掉,然后再插回去,打开串口监视器,可以发现时间从头开始了,没有起到断电时间保持的功能。把串口监视器关闭,再打开也一样。为什么呢?
因为我们把 RTC.set() 放在了void setup(),重新连接或重新打开串口监视器时,Arduino 都会 Reset,时间就会被重新设定。所以 RTC.set() 不能再在 void setup() 中。
现在简单修改一下程序,通过串口来修改时间,并实现断电保持:
|
1
2
3
4
5
6
7
8
9
10
11
12
13
14
15
16
17
18
19
20
21
22
23
24
25
26
27
28
29
30
31
32
33
34
35
36
37
38
39
40
41
42
43
44
45
46
47
48
49
50
51
52
53
54
55
56
57
58
59
60
61
62
63
64
65
|
/*
作者:Ardui.co
效果:串口设置DS1302时间
版本:1.0
更新时间:2017年3月13日
*/
#include <DS1302RTC.h>
#include <stdio.h>
#include <Time.h>
#include <TimeLib.h>
Stringcomdata;
intnumdata[6]={0},j=0,mark=0;
constintCE =5; // Chip Enable,即 Reset
constintDAT =6; // Input/Output
constintCLK=7; // Serial Clock
DS1302RTC RTC(CE,DAT,CLK);//创建DS1302的对象,即对应的Pin
voidsetup(){
Serial.begin(9600);
RTC.writeEN(false);//必须设置成false,否则无法设置时间
RTC.haltRTC(false);//防止时间停止
}
voidloop(){
/* 当串口有数据的时候,将数据拼接到变量comdata */
while(Serial.available()>0)
{
comdata+=char(Serial.read());
delay(2);
mark=1;
}
if(mark==1) {//以逗号分隔分解comdata的字符串,分解结果变成转换成数字到numdata[]数组
Serial.print(“You set the time on : “);
Serial.println(comdata);
for(inti=0;i<comdata.length();i++){
if(comdata[i]==‘,’||comdata[i]==0×10||comdata[i]==0×13){
j++;
}
else{
numdata[j]=numdata[j]*10+(comdata[i]-’0′);
}
}
setTime(numdata[0],numdata[1],numdata[2],numdata[3],numdata[4],numdata[5]);//设置系统时间函数,顺序为:时分秒,日月年,默认从2000年开始计时
RTC.set(now());//将系统时间赋值给DS1302
mark=0;j=0;
comdata=String(“”);//清空 comdata 变量,等待下一次输入
for(inti=0;i<6;i++)numdata[i]=0;//清空tonetime
}
printTime();//通过串口打印时间
delay(1000);
}
voidprintTime(){ //创建打印时间的函数
tmElements_t tm;
RTC.read(tm);
Serial.print(tm.Hour);
Serial.print(‘:’);
Serial.print(tm.Minute);
Serial.print(‘:’);
Serial.print(tm.Second);
Serial.print(‘,’);
Serial.print(tm.Day);
Serial.print(‘-’);
Serial.print(tm.Month);
Serial.print(‘-’);
Serial.println(tmYearToCalendar(tm.Year));//年份比较特殊,需要转化为可读形式
}
|
这代码是否似曾相识,因为利用了上一课串口输入字符串的知识,但是增加逗号的识别。我们在串口监视器中输入 20,30,30,20,6,17(含义是20点30分30秒,20日6月2017年),DS1302 就会从这个时刻开始计时。
值得注意的是,RTC.set() 放在了 if 中,只有串口有数据传输时,DS1302才会被设置,不管Arduino 是否断电或者重启都不会影响 DS1302 的时间了:

现在通过外部定时器,让Arduino 在某个时间点上,每天的20点35分,点亮板载LED:
|
1
2
3
4
5
6
7
8
9
10
11
12
13
14
15
16
17
18
19
20
21
22
23
24
25
26
27
28
29
30
31
32
33
34
35
36
37
38
39
40
41
42
43
44
45
46
47
48
49
50
51
52
53
54
55
56
57
58
59
60
61
62
63
64
65
66
67
68
69
|
/*
作者:Ardui.co
效果:串口设置闹铃
版本:1.0
更新时间:2017年3月13日
*/
#include <DS1302RTC.h>
#include <stdio.h>
#include <Time.h>
#include <TimeLib.h>
Stringcomdata;
inttonetime[2]={0},j=0,mark=0;//增加一个变量tonetime,存储闹钟时间
tmElements_t tm;
constintCE =5; // Chip Enable,即 Reset
constintDAT =6; // Input/Output
constintCLK=7; // Serial Clock
DS1302RTC RTC(CE,DAT,CLK);//创建DS1302的对象,即对应的Pin
voidsetup(){
Serial.begin(9600);
pinMode(13,OUTPUT);
RTC.writeEN(false);//必须设置成false,否则无法设置时间
RTC.haltRTC(false);//防止时间停止
}
voidloop(){
/* 当串口有数据的时候,将数据拼接到变量comdata */
while(Serial.available()>0)
{
comdata+=char(Serial.read());
delay(2);
mark=1;
}
if(mark==1){
Serial.print(“You set a tone on : “);
Serial.println(comdata);
for(inti=0;i<comdata.length();i++){
if(comdata[i]==‘,’||comdata[i]==0×10||comdata[i]==0×13){
j++;
}
else{
tonetime[j]=tonetime[j]*10+(comdata[i]-’0′);
}
}
mark=0;j=0;
comdata=String(“”);//清空 comdata 变量,等待下一次输入
}
RTC.read(tm);
if(tonetime[0]==tm.Hour&& tonetime[1]==tm.Minute){
digitalWrite(13,HIGH);
delay(60000)
digitalWrite(13.LOW)
for(inti=0;i<2;i++)tonetime[i]=0;//清空tonetime
}
printTime();//通过串口打印时间
delay(1000);
}
voidprintTime(){ //创建打印时间的函数
Serial.print(tm.Hour);
Serial.print(‘:’);
Serial.print(tm.Minute);
Serial.print(‘:’);
Serial.print(tm.Second);
Serial.print(‘,’);
Serial.print(tm.Day);
Serial.print(‘-’);
Serial.print(tm.Month);
Serial.print(‘-’);
Serial.println(tmYearToCalendar(tm.Year));//年份比较特殊,需要转化为可读形式
}
|
打开串口监视器,输入”20,35“,每天20点35分 LED 就会点亮1分钟,换成蜂鸣器就成闹钟了。

