码丁实验室,一站式儿童编程学习产品,寻地方代理合作共赢,微信联系:leon121393608。
74HC138实验
产品介绍

74HC138是一款高速CMOS器件,74HC138引脚兼容低功耗肖特基TTL(LSTTL)系列。74HC138译码器可接受3位二进制加权地址输入(A0, A1和A2),并当使能时,提供8个互斥的低有效输出(Y0至Y7)。
74HC138特有3个使能输入端:两个低有效(E1和E2)和一个高有效(E3)。除非E1和E2置低且E3置高,否则74HC138将保持所有输出为高。
功能:
74HC138 作用原理于高性能的存贮译码或要求传输延迟时间短的数据传输系统,在 高性能存贮器系统中,用这种译码器可以提高译码系统的效率。将快速赋能电路用于高速存贮器时,译码器的延迟时间和存贮器的赋能时间通常小于存贮器的典型存取时间,这就是说由肖特基钳位的系统译码器所引起的有效系统延迟可以忽略不计。HC138 按照三位二进制输入码和赋能输入条件,从8 个输出端中译出一个 低电平输出。两个低电平有效的赋能输入端和一个高电平有效的赋能输入端减少了扩展所需要的外接门或倒相器,扩展成24 线译码器不需外接门;扩展成32 线译码器,只需要接一个外接倒相器。在解调器应用中,赋能输入端可用作数据输入端。
基本信息:
|
中文名称 |
74HC138 |
传输延迟 |
12ns@5V |
|
电压 |
2.0V~6.0V |
逻辑电平 |
CMOS |
|
驱动电流 |
±5.2mA |
功耗考量 |
低功耗或电池供电应用 |


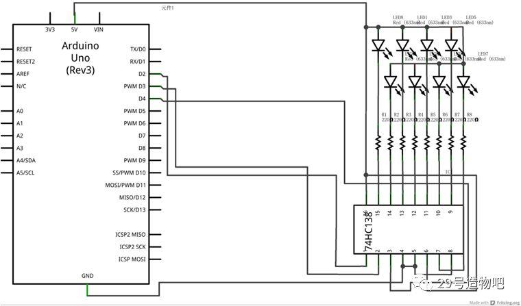
实验器件及连线



■ LED灯:8 个
■ 74HC138芯片:1个
■ 220欧电阻:8个
■ 多彩面包板实验跳绳:若干
程序代码

米思齐代码:



Arduino代码:
//int74HC138_A = 2;
//int74HC138_B = 3;
//int74HC138_C = 4;
intsegCount = 3;
intsegPins[] = {
2,3,4 }; // A,B,C
voidsetup() {
// 循环设置,把对应的端口都设置成输出
for (int thisSeg = 0; thisSeg < segCount;thisSeg++) {
pinMode(segPins[thisSeg], OUTPUT);
}
}
// 数据处理,把需要处理的byte数据写到对应的引脚端口。
voiddeal(unsigned char value){
for(int i=0;i<3;i++)
digitalWrite(segPins[i],bitRead(value,i));//使用了bitWrite函数,非常简单
}
// 主循环
voidloop() {
// 循环输出0-7,在138的输出端是Y0-Y7依次为0,138任何时刻只有1个脚为低电平。
for(int i=0;i<8;i++){
deal(i);//
delay(1000);//延时1秒
}
}
实验结论
产生流水灯效果。
转自公众号:
29号造物吧

